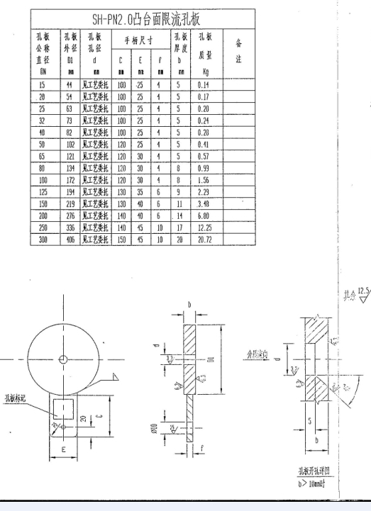
石油化工限流孔板的尺寸图
导读:英国365集团公司仪表有限公式为您提供:限流孔板性能参数表,安装尺寸图纸与图片,如果您对限流孔板型号、报价与选型手册感兴趣,请拨打我公司电话! ...
相关推荐
- 平衡孔板流量计哪家好
- 限流孔板技术协议
- 限流孔板进出口形状
- 限流孔板产品图
- 限流孔板分类及选型要点
- 双向毕托巴流量计
- 【限流孔板】常用取压方式
- 限流孔板在水泵出口的作用
- 限流孔板价格,限流孔板的怎么选型?
- 限流孔板是什么,限流孔板运用什么原理?
- 威力阿牛巴巴类流量计几大进口品牌
- 平衡流量计是否可用于贸易结算流量测量
- 限流孔板符号
- 一体化巴类流量计工作原理及安装方法
- 插入式巴类流量计都有哪些及厂家?
- 巴类流量计前后直管段要求和取压方式介绍
- 插入式巴类流量计怎样选差压传感器
- 在线巴类流量计说明书
- 一体化巴类流量计安装标准
- 插入式巴类流量计在安装管道上插入前操作
- 有哪些厂家做威力巴类流量计
- 插入式一体化巴类流量计起源由来
- 巴类流量计如何带反吹扫装置
- 巴类流量计之间区别方案



